Služba pro interiérové architekty, zakázkovou truhlářskou výrobu a kuchyňská studia.
Získáte:
- zaměřovací protokol

- fotografickou dokumentaci
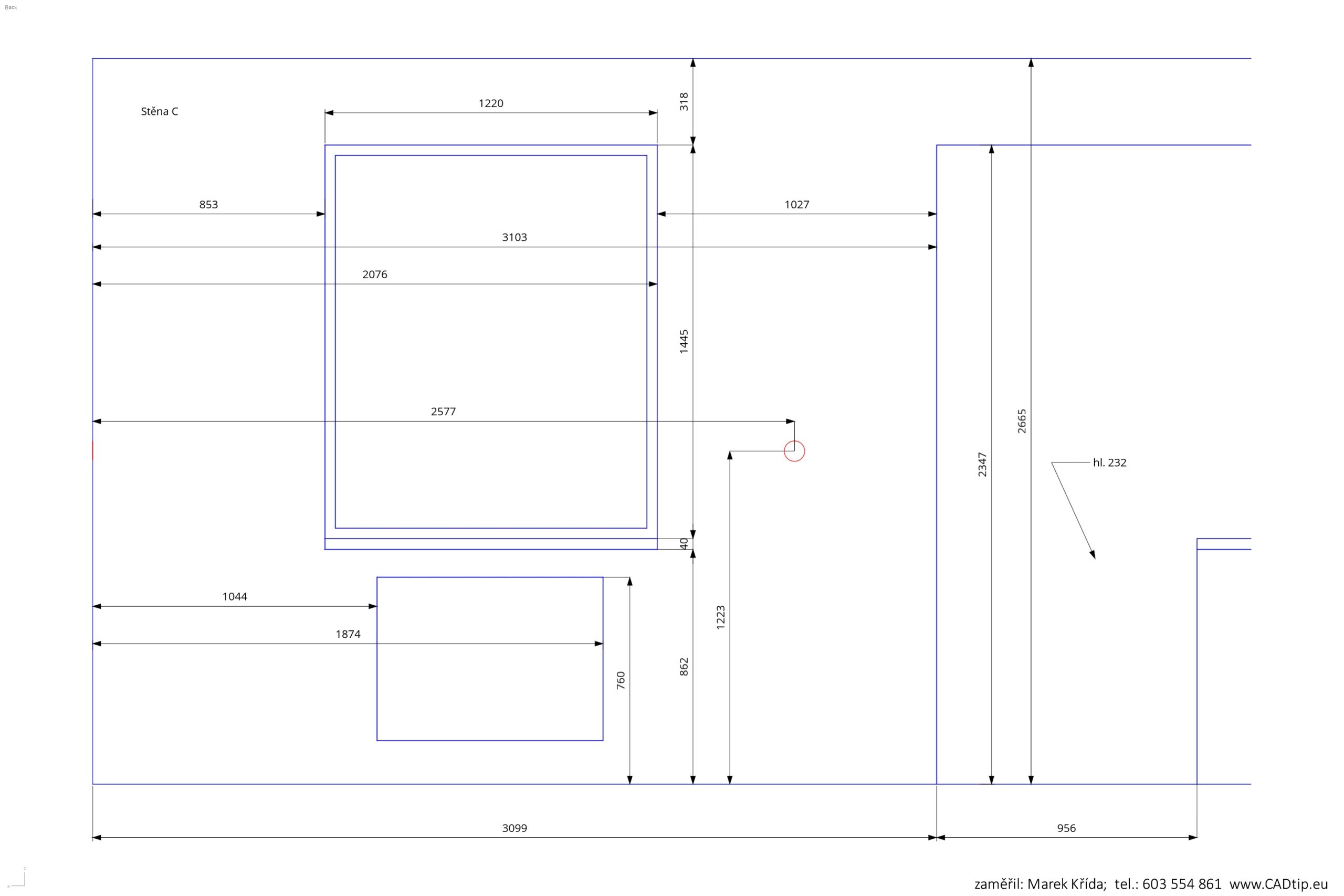
přístupnost celková situace náhledy na stěny dokumentace zákl. rozměrů dokumentace detailů - výkresovou dokumentaci (půdorys, perspektiva, jednotlivé stěny)
perspektiva půdorys stěna A stěna B stěna C - náčrtky od ruky ze zaměření (pro kontrolu)
V případě vašeho zájmu, zde najdete ceník zaměření.
![]()















